地图名片
公司地址:西安市高新三路8号西高智能大厦609室
电话:029-8958 8822
邮编:710075
E-mail:service@wuhe.com.cn
网址:http://www.wuhe.com.cn/
电话:029-8958 8822
邮编:710075
E-mail:service@wuhe.com.cn
网址:http://www.wuhe.com.cn/
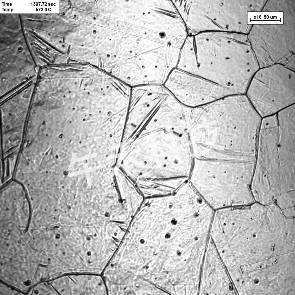
高温原位观察珠光体的形成过程
珠光体,是由奥氏体发生共析转变同时析出的,铁素体与渗碳体片层相间的组织,是铁碳合金中最基本的五种组织之一,代号为P。得名自其珍珠般(pearl-like)的光泽。珠光体是钢铁材料中的常见组织,其晶粒尺寸和形态直接决定了珠光体钢的性能。
使用超高温共聚焦显微镜VL3000DX-SVF18SP,可以直接观察珠光体的形成过程,并深入对比分析了添加Nb(铌)或V(钒)后,珠光体形核机制、形核率、长大速率等变化规律,对铌钒微合金化高碳钢的工艺发展有指导意义,为进一步提升高碳钢力学性能,并为推动钢轨、桥索钢等产品的更新换代提供理论参考。
珠光体相变(573℃)
实验设备:超高温激光共聚焦显微镜(型号VL3000DX-SVF18SP)
中国独家代理机构:陕西午禾科技有限责任公司

