地图名片
公司地址:西安市高新三路8号西高智能大厦609室
电话:029-8958 8822
邮编:710075
E-mail:service@wuhe.com.cn
网址:http://www.wuhe.com.cn/
电话:029-8958 8822
邮编:710075
E-mail:service@wuhe.com.cn
网址:http://www.wuhe.com.cn/
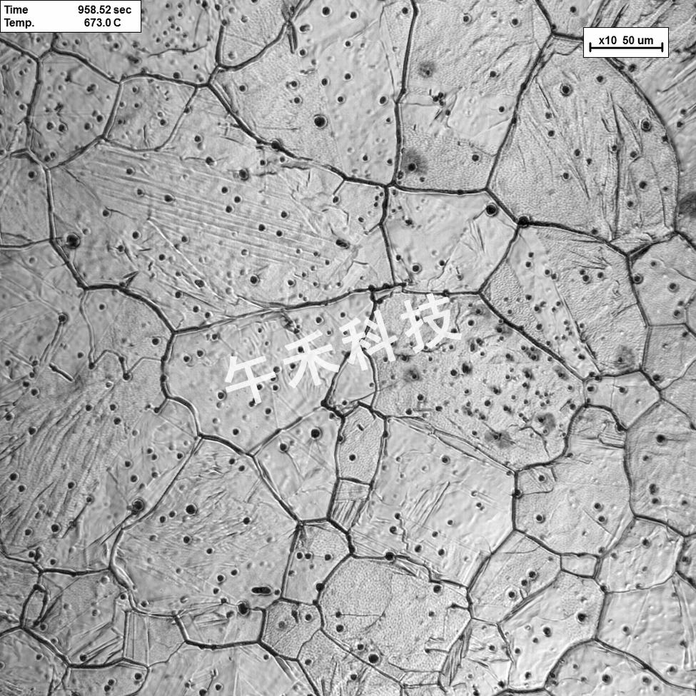
魏氏组织工艺控制
高碳钢在高温卷取过程中,珠光体组织会发生分解,形成铁素体和渗碳体。随着卷取温度的升高,珠光体分解的速度会加快,导致铁素体片或针状组织的形成速度增加,从而促进了魏氏体的形成。魏氏体是一种在珠光体基体上呈片状或针状分布的铁素体组织,其形成与珠光体的分解有关。
使用高温共聚焦显微镜(VL3000DX-SVF18SP),模拟材料实际服役环境条件(温度、湿度、负载、气氛等),观察材料在高温下的反应过程,实现材料微观组织结构原位、动态、无损和可视化研究。
升降温过程中,通过控制卷曲温度,控制冷却速度以及添加合适的合金元素,均可以有效控制魏氏体的形成,获得理想的高碳钢组织和性能,结合实际生产工艺改进,在生产过程中控制魏氏组织的形成。
魏氏组织
实验设备:超高温激光共聚焦显微镜(型号VL3000DX-SVF18SP)
中国独家代理机构:陕西午禾科技有限责任公司

